身近な自然と科学

簡単で実用になる1石低周波増幅器の設計方法

マイクからの出力がちょっと足りないときに使える、何処にも転がっている汎用トランジスターを1個使った増幅器です。

(低雑音のICを使えば高性能のものがつくれますが)
回路図は下図です。
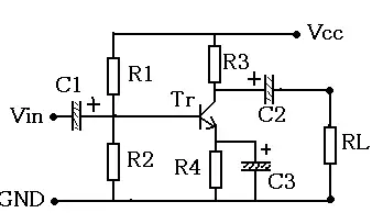
簡単で実用になる1石低周波増幅器の回路図
Vccは電源のプラス
GNDは接地で、電源のマイナス
Vinはマイクなどの入力
RLは負荷です、アンプなどの入力に繋いだり、イヤホーンになります。
R1、R2,、R3、R4は抵抗
C1,C2,C3は電解コンデンサー
Trはトランジスターで汎用品です

この回路で使われている部品の役割を説明します。
抵抗R1 抵抗R2 は、電源電圧を分圧してトランジスターのベースに電圧を掛けると同時にベー スに電流を流す働きをしています。
トランジスターは電流を増幅する素子ですが、シリコントランジスターでは0.6~0.7V、ゲルマニウムトランジスターで0.2V程度の電圧がベースに掛かっていないと動作しないからです。
抵抗R3 は増幅された電流を電圧に変換するために必要です。
抵抗R4 は回路が熱暴走しないように安定させるために必要です。
トランジスターは半導体で作られているために周囲の温度が上昇すると電流増幅率が大きくなってコレクターとエミッター間に大きな電流が流れるようになり、最悪、定格を超えた電流で壊れてしまいます。
そのため、抵抗R4でベースに流れる電流の位相と180度ずれた電流をベースに加えてベースに流れる電流を小さくして回路を安定にします。負帰還 と呼びます。
負帰還にすると、回路が安定し、増幅できる周波数の帯域も広くなりますが、増幅率が小さくなってしまいます。
そこで、低周波増幅器の場合は周波数の低い交流信号だけは増幅率が下がらないように負帰還が掛からないようにします。
入力信号と同じ位相の電流を入力に戻し(正帰還 )、かつ、増幅率が1以上になると発振します。
高周波増幅器の場合は素子の浮遊容量やアースの取り方で正帰還を起こすので注意が必要です。
低周波交流信号は抵抗R4をバイパスするように 電解コンデンサーC3 を入れます。
電解コンデンサーC1とC2 は直流を遮断するためですが、交流に対してはフィルタになります。
この増幅器は安定に働きますが、抵抗R1とR2は常に電流が流れるので電気を消費し、分圧して使うので電源電圧を低く出来ないので欠点です。
増幅だけで安定を問わなければ、抵抗R2とR4、コンデンサーC3を除いた回路(自己バイアス )で動作します。

実際の上記の電子回路設計法です。
コンデンサーC3は増幅する信号の最高周波数を決めるもので、値を小さくすると高い周波数がの増幅率が小さくなります。計算方法はありますが、470μFぐらいにしておけば問題無いです。
C1とC2は値が小さ いと低い周波数の増幅率が小さくなります。
計算で求められますが、20μFより大きければ問題無いです。

先ず、コレクター電流Ic を決めます。
小信号増幅器の場合は、Ic=0.5~2mAです。
次に電流負帰還を掛けるための抵抗R4は大きいほど回路が安定しますが、R4の両端の電圧を大きくすると、電源電圧との差が小さくなって、出力信号の振幅電圧が大きく取れなくなります。
電源電圧=R4の両端の電圧+R3の両端の電圧+トランジスターのコレクターとエミッター間の電圧
となっています。
通常は電源電圧の10%ほどとするので、R4の抵抗値=0.1×(電源電圧÷コレクター電流)
とします。
出力抵抗R3の両端の電圧には増幅された信号の電圧が乗っているので、R3の両端の電圧は大きくとる必要があります。
通常、電源電圧の45%ほど取りますから、 R3の抵抗値=0.45×(電源電圧÷コレクター電流)
となります。

次は、トランジスターのベースに加える電圧と電流を決める抵抗R1です。
ここでは電源電圧=R1の両端の電圧+ベースとエミッター間の電圧+R4の両端の電圧 抵抗R2に流す電流はベースに流す電流の5~10倍
R1に流れる電流=ベース電流+R2に流れる電流
トランジスターの電流増幅率=コレクター電流÷ベース電流
という関係から
抵抗R1=電流増幅率×(0.9×電源電圧-ベースとエミッター間電圧)÷(11×コレクター電流)
抵抗R2=電流増幅率×(0.1×電源電圧+ベースとエミッター間電圧)÷(10×コレクター電流)
となります。
なお、ベースとエミッター間電圧はデーターシートから得るか、0.6V程度で試し、不都合なら変更します。