携帯電話スマホ用充電器の仕組み
スマートフォンや携帯電話、PHSなどの充電器(ACアダプター)は、縦横の長さが各々5cm、 厚さは1cm程度の大きさで軽いものですが、家庭用電灯線100Vから直流電圧5V、電流は2000mA程度をスマホなどに供給する能力を持っています。
電灯線100Vから5V程度の電圧を得る物で身近にあるのはポータブル・ラジオなどに付属しているACアダプターがありますが、携帯電話の充電器とは内部が全く異なります。
ACアダプターはトランス(変圧器)で電圧の低い交流に変換してから、一方向にしか電気を流さないダイオードで直流にするという簡単なものです。
⇒ACアダプターの仕組み(交流から直流を得る仕組み)
もちろん、携帯電話の充電器もACアダプターと同じ仕組みで作れますが、この方法では携帯用充電器のように小型軽量には出来ません。
小型軽量に出来ない理由はトランスにあります。
トランスは鉄心にエナメル線を巻いた構造をしているので、2000mA程度の電流を得ようとすると小型軽量には出来ないのです。
手許にラジオなどの音響関係の機器に繋ぐACアダプターがありましたら確認してみてください。携帯用充電器のように小型軽量ではないはずです。
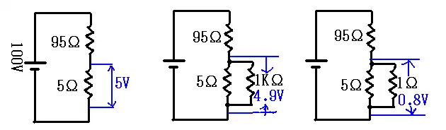
ところで、トランスを使わない方法もあります。直ぐに思いつくのは抵抗によって分圧する方法です。
例えば、抵抗値95オームと5オームの抵抗を直列に繋いで、その両端に100Vの電圧を掛けると、直列に繋いだ抵抗には1アンペーアの電流が流れ、5オームの抵抗の両端では5Vが得られます。
この方式の欠点は、負荷が大きく変動した場合には5オームの抵抗の両端の電圧は5Vにならないということです。

例えば、抵抗負荷1オームの機器を5オームの両端に繋ぐと、その合成抵抗値は約0.8オームになり、全電流は100÷(95+0.8)となり、負荷の両端には約0.8Vしか掛かりません。
抵抗負荷1キロオームの場合には、同様な計算をして、約4.9Vになります。
この結果から判明することは、抵抗による分圧法の場合には抵抗値の大きい(消費電力の少ない)負荷でしか実用にならないということです。
分圧するために使う抵抗の代わりに、定電圧ダイオード(ツェナーダイオード)を使う方法があります。
定電圧ダイオードというのは、一方向しか電気を通さない整流用のものと似たものですが、逆電圧(電気を流さない方向)を掛けて行くと、このダイオードの固有の電圧を超えたときに電流を流すものです。

例えば、逆電圧が10Vに達したら電流を流すように作られた定電圧ダイオードと抵抗を直列に繋いだものに直流100Vを掛けても、定電圧ダイオードの両端はいつも10Vになっています。
ただ、このダイオードの中を大きな電流が流れるためにそれに耐えられるだけの構造と放熱装置を必要とします(余分な電気エネルギーは熱になってしまうので効率が悪い)
このため、定電圧ダイオードは基準電圧を得るために集積回路内部で使われるのが主な用途ですが、簡易に小電力を賄うための回路にも使われています。
スイッチング式電源の原理・しくみ
変圧器、抵抗や低電圧ダイオードを使わずに電圧を下げるには、今流行のスイッチング方式があります。
この原理は至極簡単で、基本回路は下図の様になります。

この電源回路の仕組みを理解するために、平滑用インダクターLと還流用ダイオードDを除いてみます。

すると、負荷両端の電圧は上図のようにスイッチングトランジスターで電源を切ったり入れたりの繰り返しをしているだけです。
これでは、負荷にほぼ電源と同じ電圧が周期的に掛かっているだけなので、インダクターLを直列に入れてみます。

上図の電圧軸(縦軸)は50倍にしてあります。これでは矩形波が電圧百分の1のノコギリ波になっただけですが、この原因はスイッチングトランジスターがエミッターからコレクター方向に電流を流さないためです。コイルに流れる電流を止めると、コイルに蓄えられていた磁気エネルギーが電流の変化を妨げる方向の電流に変化します。このためにスイッチングトランジスターに逆電圧が掛かって磁気エネルギーから変化した電気エネルギーを利用できません。
そこで、トランジスターに妨げられずに済むように還流用ダイオードを入れます。すると、磁気エネルギーも利用されて
のように電圧が僅かに波打っていますが、ほぼ電圧変化の無い直流が負荷に掛かるようになります。
スイッチング式電源出力電圧は、トランジスターを導通させる時間で決まります。ここで紹介した回路では、スイッチングトランジスターのベースにプラス電圧を掛ける時間(矩形波のデューティ比:電圧が高い時間÷1周期の時間)に依存します。
説明に使った基本回路では負荷の大きさで負荷に掛かる電圧が変化してしまうので、出力電圧の変化をフィードバックして矩形波のデューティ比を変えて出力電圧を制御するか、この後に簡単な定電圧回路を入れます。
この方法で、家庭に来ている交流100Vを直流にして直流12V電源を作れますが、出力端子と100vの配電線が絶縁されて居ないので、12V端子に触っても感電する可能性があります。
感電しては大変なので、携帯電話の充電器はどのような仕組みで小型軽量化を成し遂げているのでしょう。
先に、小型軽量に出来ない理由はトランスにあると書きましたが、トランスに加える交流電気の周波数を、家庭用の50ヘルツ(または60ヘルツ)よりはるかに高くすれば、トランスを小型軽量に出来るのです。
極端な例を上げる と、アンテナを繋いだら電波を放射するような周波数の高い交流はエナメル線を数回巻いただけのコイル二つを対向させただけでエネルギーが伝わってしまいます。
尤も、こんなに周波数が高くなると、高出力の高周波電流を作る方が大変になってしまいますが、とにかく、周波数を上げればトランスを小型軽量に出来るのです。
私が分解した充電器は、トランスの大きさは12mm×12mm×6mmほどの大きさで、動作は次のようになっています。
1、交流100Vを直流に変換
2、1で得た直流を抵抗器で電流の大きさを制限してから一秒間に数千回程度断続させてトランスの1次コイルに加える
3、トランスの2次コイルに電磁誘導で誘起した交流をダイオードで直流に変換してコンデンサーを充電する(このコンデンサーの両端が携帯に接続されて充電用電流を携帯に供給しています。
ですから、充電しているときには電流を供給するために電圧が下がります)
4、3のコンデンサーの両端の電圧が出力規定値(5V)より低いときには、トランスの1次コイルに加える断続電流を流し続け、コンデンサーの両端の電圧が規定値より高いときには1次コイルに流す電流を止める
上記4で、コンデンサーの両端の電圧を監視するために必要な電力はトランスの2次側に誘起した電力の一部を使い、トランスの1次側に流す断続電流を流したり止めたりする制御信号は、トランスの2次側から1次側に発光ダイオードから発する光によって伝達します。
このようにするのは、トランスの1次側と2次側を電気的に分離するためです。
これは、故障などによって電灯線100Vが携帯に加わることを阻止すると共に、故障(機器の漏電)や悪戯によってユーザーが感電すること防ぐためです。
電灯線は保安上から電灯線の一方が地中に接地されているために、機器に不具合が無くても接地されていない方の電線に触れると感電します。
出力電圧を一定するために入力側で電流の切ったり流したりする電源を「スイッチング電源」と呼び、 この携帯用充電器のように入力側と出力側の間にトランスを入れるものを「フライバック型スイッチング電源」と呼んでいます。
スイッチング電源の利点と欠点
スイッチング電源の利点は、出力電圧が上がったら供給する電気を止めて出力電圧を下げる方式なので電力消費が少ないことです。
他の電源方式では出力電圧が高くなったときにはトランジスターなどによって電力を消費させています。
欠点は、電流を断続させるためにノイズが発生しやすいことです。
ところで、百円ショップなどで数百円で売られているスマホ用充電電源器で充電するとリチウムイオン充電池の寿命が短くなるという話を聞きますが、私的にはメーカ専用充電器と変わらないと思っています。
リチウムイオン充電池をスマホなどから取り出して充電する場合にはその電池専用の充電器が必要ですが、スマホやカメラに内蔵したままで充電する場合には、充電状態を監視制御する機能はスマホなどに内蔵されていて、百円ショップなどで売られている充電器は5V2A程度の電気を供給しているからに過ぎないからです。
リチウムイオン充電池充電には温度管理が特に重要で、充電池の筐体には温度変化で抵抗値が大きく変わる抵抗(サーミスター)などが付けられて充電する機器側(専用充電器やスマホ、カメラなど)で温度を測定し、充電に適さない低温時、発火しかねない高温になると充電を止めます。
リチウムイオン充電池の電極数が+-の他に1つ以上あるのはそのためです。
リチウムイオン充電池を使う機器は放電時(電気を使うとき)にも温度を監視する必要があり、電池の温度が高くなりすぎると放電を止めてしまいます
暑い時季にスマホをカーナビ代わりに長時間使うときはクーラーを入れておかないと、電池の温度が上がりすぎてスマホの電源が切れてしまうことがあります